Will L.
Well-Known Member
@ak diesel driver
Ya got me, quick draw While I was typing!
Ya got me, quick draw While I was typing!
Follow along with the video below to see how to install our site as a web app on your home screen.
Note: This feature may not be available in some browsers.
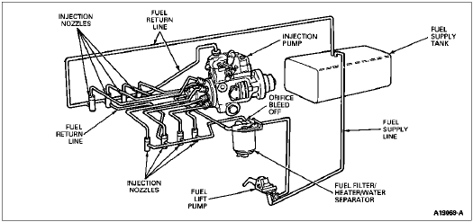
Clear line is 1/4” return line coming out ip. The only time you put clear line between the FFM and IP is when you have air bubbles out the IP, but cannot find where the leak is. If no bubbles go into the IP, but bubbles come out, then the IP is leaking and sucking air or is causing cavitation inside the IP must be repaired.
Pressure gauge is after rubber line from ffm before metal inlet line of ip. The most common place of rubber fuel line failure is that piece just before the ip. Over the years I have had 3 people from this site send me pics of how that line failed and they replaced an ip mistakenly because of it. I have had 1 guy and 1 gal on hummer forum do the same. I did it 2 times in the fleet. 2 other guys 1 fleet and 1 dealership did it. CRAZY COMMON error. I know I sound dumb hammering this point but figure out why I have been saying it since I joined this forum. $100 gauge set up that stops early ip death and often stops replacing a good ip.
if you were getting tons of fuel coming out where the solenoid was removed when testing then the fuel pressure gauge waits for now.
But you still work should take the time andthe three dollars to put on the clear return.
Double check all the pins are not bent inside the connectors. Then get the scanner on there. The removed ip from crash should be fine. Never seen a crash damage an ip unless it got smacked which would have visible damage. This indicates the original ip wasn’t the cause to me.
yes optic/crank sensor test is good idea. Something electrical or electronic goin on here.
Does ecm work on both? Did you remove and clean the grounds? Have to scrub em- looking ok on outside doesn’t mean anything.
The return line to the IP is dry and will remain dry because the IP is pumping nothing


This statement is confusing.
The Injection pump returns fuel when it's turning no matter what the fuel demand is. If the fuel stop solenoid drops on key off it may quit returning fuel. The IP uses fuel for cooling and lube so it returns an insane amount of fuel vs. what it sends to the injectors.
If you are saying the return is dry when cranking ... you have a big problem. I am assuming you are saying this.
I would dump the return line into a bucket and try one more crank session just in case the return is plugged solid somewhere. Still no fuel from the return line: pop off the oil fill and use a mirror to make sure the IP is actually turning.
It's looking like the pump is locked up with a sheared driveshaft.
Vehicles are too valuable to sell to a scrap yard at this time. They got no chips and ain't making new vehicles at the moment!
@Will L. I hate flappy and kinky rubber hoses esp before the IP.
View attachment 65013
View attachment 65014
Are you getting fuel coming out the ip return line?
Forget everything else- this is mega crucial.
Don’t have the clear- fine: take the rubber line off and have someone crank engine and make sure fuel is coming out the nipple. Its like 99% of the fuel from the lift pump goes through the ip ANY TIME it is turning.
No fuel coming out is huge problem
I think you need to understand the return system better. All the return lines connect together, including the return coming out of the IP. Then the fuel gets returned to the tank. So you should have fuel coming out of the IP return, if you don't then there is an issue in the IP. Someone can correct me if I'm wrong but I believe you should have fuel coming out even when not turning as long as there's fuel pressure. Also your blow by is coming from the EGR passage and is normal.