• Welcome to The Truck Stop! We see you haven't REGISTERED yet.

    Your truck knowledge is missing!
    • Registration is FREE , all we need is your birthday and email. (We don't share ANY data with ANYONE)
    • We have tons of knowledge here for your diesel truck!
    • Post your own topics and reply to existing threads to help others out!
    • NO ADS! The site is fully functional and ad free!
    CLICK HERE TO REGISTER!

    Problems registering? Click here to contact us!

    Already registered, but need a PASSWORD RESET? CLICK HERE TO RESET YOUR PASSWORD!

Codes. Truck won’t move

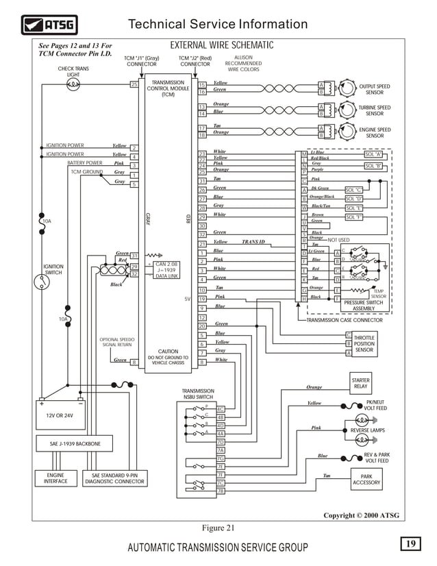
Is there 5V on pin 20and 21of the red connector? Is this 5 volt reaching the temperature sensor? We measure everything when all connectors are connected and the ignition is on

Did you install another TCM? Assuming that the TCM is working properly. You should try connecting with another diagnostic device. I use ELM 327 USB and Palmer ScanXL Pro software for Windows. They can read all the parameters engine, transmission and reset errors.
 
Last edited:
Sorry I was on vacation last week

You really need to get a scanner to perform this step. You wont have voltage at the PCS unless you command the TCM to send it. Your wring look to test good. If you have 7.5v replace the PCS, if you don't replace the TCM.

Turn the ignition OFF.
Disconnect the C2 connector (RED) at the TCM.
Install the J 39700 breakout box and the J 43799 breakout box adapter.
Using a DMM, measure voltage between connector C2 terminal 22 and terminal 23.
Turn ON the ignition, with the engine OFF.
Using the scan tool, command PC solenoid A ON.
Is the voltage within the range specified when PC solenoid A is commanded ON?

7–7.5 V
 
Is there 5V on pin 20and 21of the red connector? Is this 5 volt reaching the temperature sensor? We measure everything when all connectors are connected and the ignition is on

Did you install another TCM? Assuming that the TCM is working properly. You should try connecting with another diagnostic device. I use ELM 327 USB and Palmer ScanXL Pro software for Windows. They can read all the parameters engine, transmission and reset errors.
Sorry I was on vacation last week

You really need to get a scanner to perform this step. You wont have voltage at the PCS unless you command the TCM to send it. Your wring look to test good. If you have 7.5v replace the PCS, if you don't replace the TCM.

Turn the ignition OFF.
Disconnect the C2 connector (RED) at the TCM.
Install the J 39700 breakout box and the J 43799 breakout box adapter.
Using a DMM, measure voltage between connector C2 terminal 22 and terminal 23.
Turn ON the ignition, with the engine OFF.
Using the scan tool, command PC solenoid A ON.
Is the voltage within the range specified when PC solenoid A is commanded ON?

7–7.5 V
Do we know of a scanner that won’t break the bank for this. Or what I need to look for in one.

PCS is brand new when the solenoids and internal harness was done

Not saying it’s not bad aswell

TCM that’s currently in now is one from a friends running truck. I borrowed it a few weeks ago to eliminate my TCM
 
The ELM327 scanner costs a penny - less than $10. The ScanXL application has a "pill" for trial use. And there are a lot of free applications for Android. for bluetooth version ELM327 which allows you to read and reset errors.
 
@denata will this ScanXL software allow you to do the freeze frame recordings and for our diesels allow you to to the TDC offset learn? just curious since the cost of the license is only $135 not sure if you need the add-on for GM they sell for another $99.
 
Allows you to monitor engine and transmission parameters. everything that TECH2 reads. You can record it in a log, display it on graphs and play back and analyze it. About teaching blending, I'm not sure, I have THECH2 for that. You can try without a license with the pill. If you like it, purchase a license.
 
There are no miracles in electricity, only bad contact. It is necessary to ring every wire from the red connector to the solenoids, sensors and switches. Guided by this scheme.
allison-10002000-series-service-manualpdf-19-638.jpgallison-10002000-series-service-manualpdf-18-638.jpgallison-10002000-series-service-manualpdf-13-638.jpg
 
You need a scanner that does Bidirectional controlling. Most cheap scanners will only read codes and data. You need a GOOD scanner that will allow you to turn the PCS on and off. Other wise your wasting your money in my opinion.

Honestly find a mobile truck tech to come test it for you, unless you want to spend a few thousands on a scanner.
 
You need a scanner that does Bidirectional controlling. Most cheap scanners will only read codes and data. You need a GOOD scanner that will allow you to turn the PCS on and off. Other wise your wasting your money in my opinion.

Honestly find a mobile truck tech to come test it for you, unless you want to spend a few thousands on a scanner.
I have a friend that has efi live that says he can do it
 
Allows you to monitor engine and transmission parameters. everything that TECH2 reads. You can record it in a log, display it on graphs and play back and analyze it. About teaching blending, I'm not sure, I have THECH2 for that. You can try without a license with the pill. If you like it, purchase a license.
Does this one allow you to command the solenoids on and off ?
 
I know it's a little on the expensive side, but you can find the chineese knockoff GM tech 2's on the flea bay. they will work the same as a real one so long as you never update it. this might be something to look into.
 
He’s going to come over later this week when he’s available





In the mean time


So I turned the ignition on and hooked the scanner I have up


This brought up to codes
I was able to clear both


I have cycled the key off and on and the codes return




I have the pan off so not able to start the truck
 

Attachments

  • 5C8C4FCB-854C-4E93-9A9C-1ED1878FCE1F.jpeg
    5C8C4FCB-854C-4E93-9A9C-1ED1878FCE1F.jpeg
    125.5 KB · Views: 2
  • 9B6A8989-ED89-4E09-A917-AEB8B14D73E5.jpeg
    9B6A8989-ED89-4E09-A917-AEB8B14D73E5.jpeg
    134.7 KB · Views: 2
  • 193DD208-6033-44E0-8D75-B82D0D3EF6C5.jpeg
    193DD208-6033-44E0-8D75-B82D0D3EF6C5.jpeg
    113.4 KB · Views: 2
Last edited:
Back
Top