CBR consulting
Well-Known Member
- Messages
- 117
- Reaction score
- 337
Follow along with the video below to see how to install our site as a web app on your home screen.
Note: This feature may not be available in some browsers.

Is there any warranty on the work they did?So step 4 I can’t do as my scanner doesn’t have a function to command solenoids.
I went threw the remaining steps I get all the way to step 6.
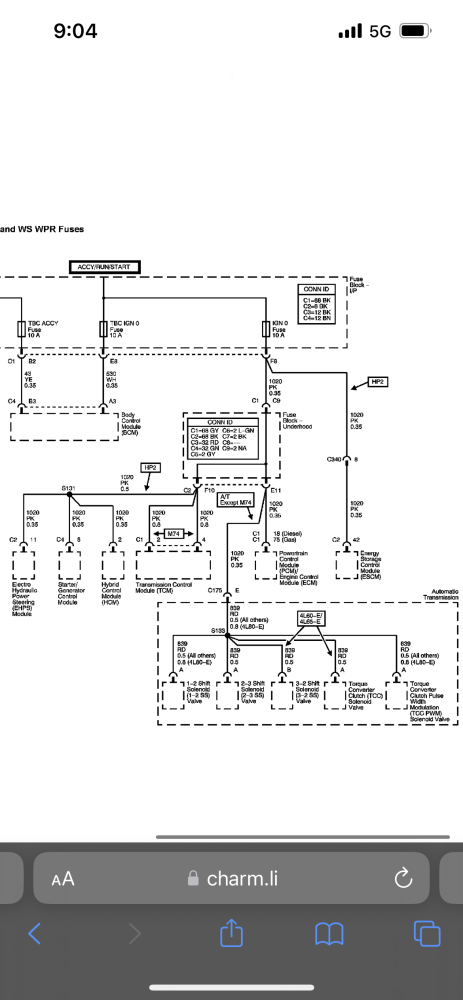
Ohm 22/33. 6.8
Ohm L/M. 6.8
So from what I have read now i guess it’s time to drop the pan and check the solenoid and harness.
Sucks cause I had DHD in Michigan. Go threw that valve body and they put new harness pressure switch
Will do the checks tomorrow.Honestly for what it’s worth I would at least think it should have 2nd gear and reverse (trans limp mode)
Would you be able to explain a bit more for me
Check for short to housing, resistance between the solenoid winding and the housing. Could the wire insulation be damaged?